|
ООО ЭЛТОМ
+ 7 (3842)288-977, 287-737
|
Переход на мобильную версию сайта г. Кемерово пр.Кузнецкий дом 32 |
|
Корзина
0 товаров, 0.00 руб. |
Описание товара
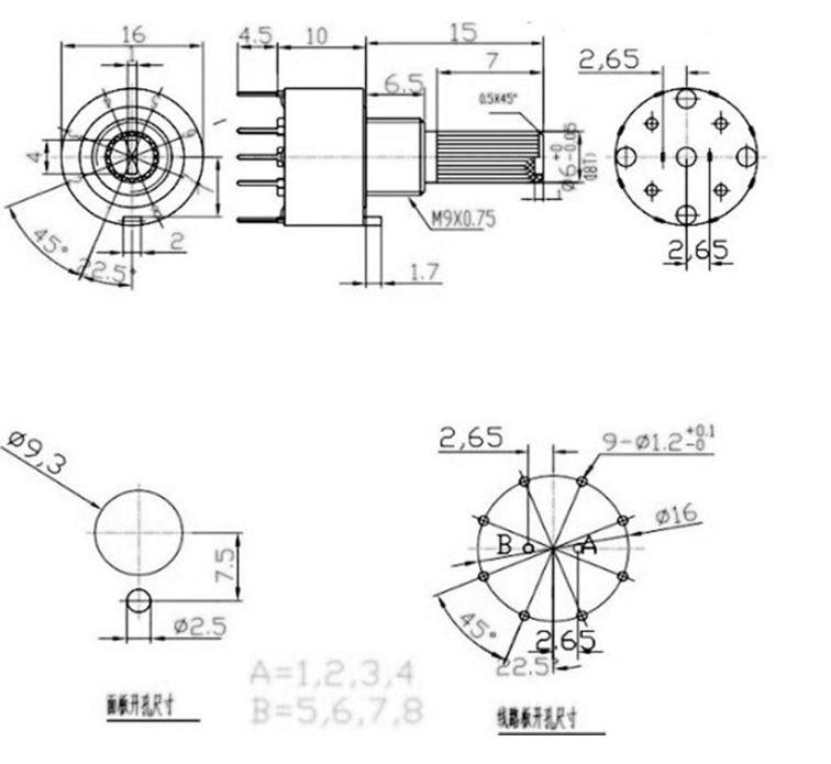
SR16 1-5 поворотный переключатель DC 60В, 0.3А FUT-1129 — описание:Переключатели SR16 1-5 поворотный переключатель DC 60В, 0.3А одна группа пять положений 1Н5П
Наличие:
Покупка: |




